熱塑PVC管材縱向拉伸強度測試機試驗要求
1、試驗要求
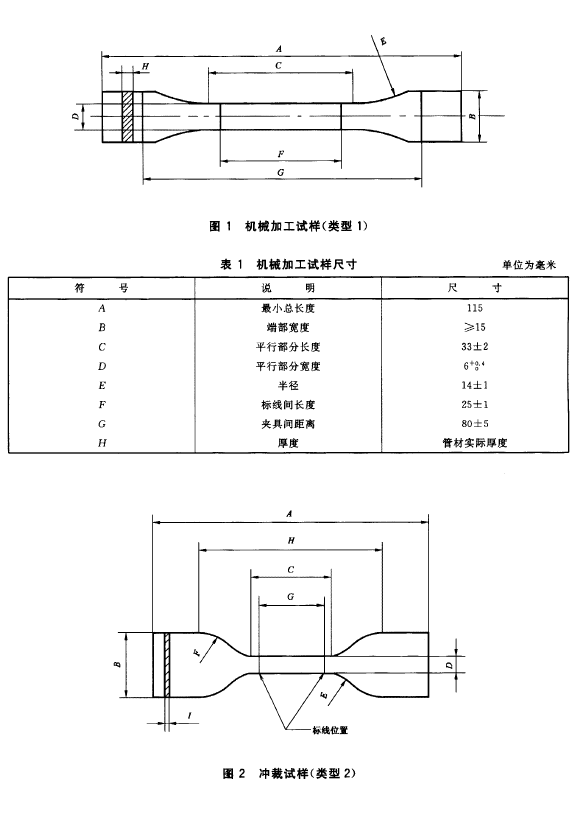
熱塑PVC管材拉伸試樣尺寸滿足:
2、硬聚氯乙烯(PVC-U)和高抗衝聚氯乙烯(PVC-HI)管材,試樣應按a)或b)製備。
a)管材壁厚小於或等於12 mm采用衝裁(見圖2)或機械加工(見圖1)方法製樣。
試驗室間比對和仲裁試驗采用機械加工方法製樣。
b)管材壁厚大於12 mm采用機械加工方法製樣(見圖1)0
3、氯化聚氯乙烯(PVC-C)管材或(PVC-U/PVC-C)共混料製作的管材不論其厚度大小均采用機
械加工方法製樣。
衝裁方法:
熱塑PVC管材縱向拉伸強度測試機應按照GB/T 8804. 2或GBJT $804. 3中所要求的外形,選擇合適的沒有刻痕,刀口幹淨的裁刀從樣條上衝裁試樣。
將樣條放置於125℃mso℃的烘箱中加熱,加熱時間按每毫米壁厚加熱1 min計算。加熱結束取出樣條,快速地將裁刀置於樣條內表麵,均勻地一次施壓裁切得試樣。然後將試樣放置於空氣中冷卻至常溫。
機械加工方法:
用機械加工方法製取試樣,需采用銑削。
銑削時應盡量避免使試樣發熱,避免出現如裂痕、刮傷及其他使試樣表麵品質降低的可見缺陷。
公稱外徑大於110 mm規格的管材,直接采用機械加工方法製樣。
公稱外徑小於或等於110 mm規格的管材,應將截取的樣條在下列條件下壓平後製樣。
a)溫度:PVC-U或PVC-HI管加熱溫度為125℃-130℃o PVC-C或PVC-U/PVC-C共混料製
作的管材加熱溫度為135℃一140 ℃
b)加熱時間:按1 min/mm計算。
c)平麵壓力:施加的壓力不應使樣條的壁厚發生減小。壓平後在空氣中冷卻至常溫,然後用機械 加工方法製樣。
電話:0531-85998089
微信:18615658716(陳經理)
Q Q:34485487
地址:濟南市槐蔭區西沙路690號